由于跟高改变了脚的受力平衡,压力下脚部肌肉状态会有所变化,在楦底样宽度设计时要充分予以考虑。不同跟高的楦底样宽度设计数值参见表3-1-3。

鞋楦底样设计步骤
以本书表2-2-1L-25男素头鞋楦255号标准样楦尺寸为例,简单介绍鞋楦底样的设计步骤如下:
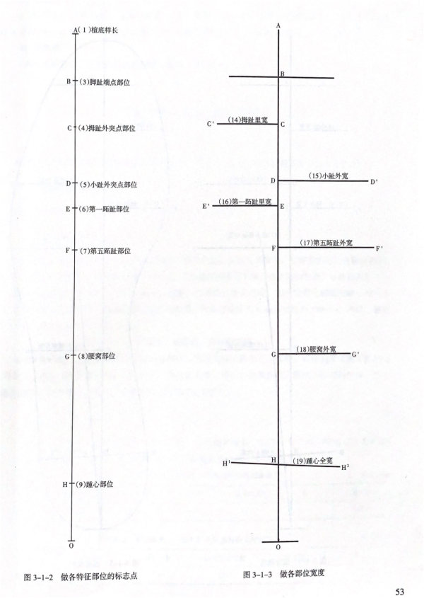
(1)做各特征部位的标志点
划一条直线作为楦底样轴线,在轴线上量取下列尺寸:
OA楦底样长270mm;
AB放余量20.4mm;
OH踵心部位长度40.8mm;
OG腰窝部位长度99.3mm;
OF第五跖趾部位长度156.7mm;
OE第一跖趾部位长度179.6mm;
OD小趾外突部位长度193.6mm;
OC拇趾外突部位长度224.2mm,见下图3-1-2。

(2)做各部位宽度
除踵心部位点H和脚两头端点0、A外,以各部位点为准,做轴线的垂线,量取下列尺寸:
CC'拇趾里段宽34.1mm;
DD'小趾外段宽52.8mm;
EE'第一跖趾里段宽36.5mm;
FF'第五跖趾外段宽52.8mm;
GG'腰窝外宽40.1mm;
H¹H²踵心全宽60.5mm,见上图3-1-3。
(3)做分踵线
在FF'段上,自外向里,量取EE'段尺寸,得到I点,并将I点与底样后端点O相连,此线即为分踵线。自轴线上的踵心部位点H分踵线做垂线,并向两端延长,如下图3-1-4所示。

(4)描画成型
以曲线连接各点,注意连接点要顺滑,流畅,如上图3-1-5所示。
下一节我们将会继续给大家讲解更多鞋楦相关知识干货,欢迎关注鹿艺鞋楦~
关于鹿艺:
香港六卷宝典资料大全主要生产:鞋楦、塑料鞋楦、智能楦、德士马楦、定位楦、弹簧楦、注射楦、冷粘楦、标准鞋楦、鞋楦定做、运动鞋鞋楦、休闲鞋鞋楦、自动化鞋楦。
鹿艺是鞋楦、智能鞋楦的专业生产厂家。鹿艺引进NEWLAST公司整体成型NL-SDF系列制楦设备及三维设计软件EASYLAST 3D CAD-CAM最新版本。这一全球最先进的鞋楦原型加工的高科技组合,配合制鞋行业全自动化,智能生产配套鞋楦,极大提高了生产线的生产效率,为鞋业智能自动化生产提供解决方案!
联系我们:
温州总部
总部地址 :中国鞋都三期丁桥路136号
联 系 人 :陈经理
电 话 :13600665276
传 真 :0577-8636259